• Home
  • °èÃø¼¾¼­
  • ·Îµå¼¿

·Îµå¼¿PRODUCT

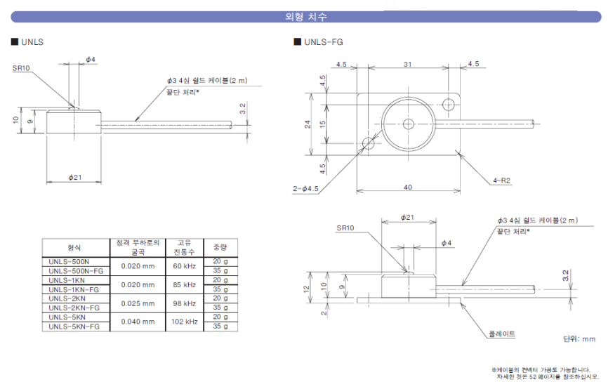
¸ðµ¨¸í ¼ÒÇü ¾ÐÃàÇü ·Îµå¼¿ UNLS
÷ºÎÆÄÀÏ
UNLS.pdf
µµ¸é_UNLRS.zip

¼ÒÇü ¾ÐÃàÇü ·Îµå¼¿ UNLS
Áö¸§ 21mm, ³ôÀÌ 10mmÀÇ ½ºÅ×Àθ®½ºÁ¦ ¼ÒÇü ¾ÐÃà ·Îµå¼¿

- ¿ë·® 100N, 200N, 500N, 1kN, 2kN, 5kN
- ½ºÅ×Àθ®½º
- Áö¸§ 21mm, ³ôÀÌ 10mmÀÇ ¼ÒÇü ¾ÐÃàÇü
- UNLS- FG : ³ª»ç °íÁ¤¿ë Ç÷¹ÀÌÆ® ºÎÂø

[»ç¾ç2]
UNLS-100N, 200N, 500N
UNLS-100N-FG, 200N-FG, 500N-FG
UNLS-1KN, 2KN, 5KN
UNLS-1KN-FG, 2KN-FG, 5KN-FG

-Á¤°ÝÃâ·Â : ¾à 1mV/V
-Çã¿ë°úºÎÇÏ: 150%R.C.
-ºñÁ÷¼±¼º
UNLS£º0.5%R.O.ÀÌÇÏ
UNLS-FG£º1.0%R.O.ÀÌÇÏ

¹Ýº¹¼º : 0.1%R.O.ÀÌÇÏ
¿ë·® : UNLS:20g
UNLS-FG:35g