¿À´ÃÇÏ·ç ¿Áö¾Ê±â
´Ý±â
Home
Login
Join
blog
ȸ»ç¼Ò°³
ȸ»ç¼Ò°³
¿À½Ã´Â±æ
°èÃø¼¾¼
ÅäÅ©¼¾¼
·Îµå¼¿
ÆÄÁö·Â°è
ºñÁ¢ÃË½Ä º¯À§¼¾¼
Á¢ÃË½Ä º¯À§¼¾¼
·¹ÀÌÁ®¼¾¼
Áøµ¿/°¡¼Óµµ¼¾¼
¾Ð·Â¼¾¼
¿ÍÀ̾¼
°æ»ç¼¾¼
¿£ÄÚ´õ
°èÃøÀåºñ
Àεð°ÔÀÌÅÍ
ÅäÅ©¾×Ãò¿¡ÀÌÅÍ
Àüµ¿¹ë·±¼
µ¥ÀÌÅͷΰÅ
¾ÚÇÁ
Àû¿ë»ç·Ê
Àû¿ë»ç·Ê
°í°´Áö¿ø
°øÁö»çÇ×
Áú¹®°ú´äº¯
ÀÚ·á½Ç
°èÃø¼¾¼
PRODUCT
¡å
ÅäÅ©¼¾¼
·Îµå¼¿
ÆÄÁö·Â°è
ºñÁ¢ÃË½Ä º¯À§¼¾¼
Á¢ÃË½Ä º¯À§¼¾¼
·¹ÀÌÁ®¼¾¼
Áøµ¿/°¡¼Óµµ¼¾¼
¾Ð·Â¼¾¼
¿ÍÀ̾¼
°æ»ç¼¾¼
¿£ÄÚ´õ
CUSTOMER
02-3016-7944
am 09:00 ~ pm 06:00
¿Â¶óÀι®ÀÇ
Home
°èÃø¼¾¼
·Îµå¼¿
·Îµå¼¿
PRODUCT
¸ðµ¨¸í
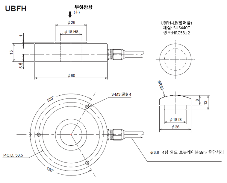
¼¾ÅÍȦ ¾ÐÃàÇü ·Îµå¼¿ UBFH
÷ºÎÆÄÀÏ
·Îµå¼¿_UBFH.pdf
¼¾ÅÍȦ ¾ÐÃàÇü ·Îµå¼¿ UBFH
»ç¿ëÇÏ±â ÆíÇÑ Àú»ó ¼¾ÅÍ È¦Çü ·Îµå¼¿!
Á¤°Ý ¿ë·® 1kN/2kN/5kN/10kN/20kN
º¼Æ® Ãà·Â, ¾ÐÀÔ, °¡Ã¼°á µîÀÇ ÇÏÁß ÃøÁ¤¿¡ ÀûÇÕÇÕ´Ï´Ù.
ȸ»ç¼Ò°³
ȸ»ç¼Ò°³
¿À½Ã´Â±æ
°èÃø¼¾¼
ÅäÅ©¼¾¼
·Îµå¼¿
ÆÄÁö·Â°è
ºñÁ¢ÃË½Ä º¯À§¼¾¼
Á¢ÃË½Ä º¯À§¼¾¼
·¹ÀÌÁ®¼¾¼
Áøµ¿/°¡¼Óµµ¼¾¼
¾Ð·Â¼¾¼
¿ÍÀ̾¼
°æ»ç¼¾¼
¿£ÄÚ´õ
°èÃøÀåºñ
Àεð°ÔÀÌÅÍ
ÅäÅ©¾×Ãò¿¡ÀÌÅÍ
Àüµ¿¹ë·±¼
µ¥ÀÌÅͷΰÅ
¾ÚÇÁ
Àû¿ë»ç·Ê
Àû¿ë»ç·Ê
°í°´Áö¿ø
°øÁö»çÇ×
Áú¹®°ú´äº¯
ÀÚ·á½Ç