• Home
  • °èÃø¼¾¼­
  • ·Îµå¼¿

·Îµå¼¿PRODUCT

¸ðµ¨¸í ¾ÐÃàÇü ·Îµå¼¿ UNBF
÷ºÎÆÄÀÏ
UNBF.pdf
µµ¸é_UNBF.zip
Ä«´Ù·Î±×_UNBF2.pdf

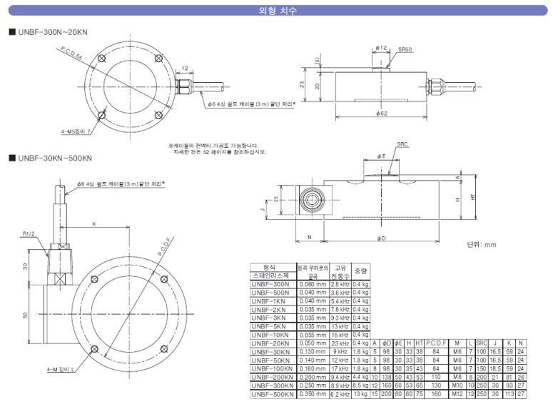
¾ÐÃàÇü ·Îµå¼¿ UNBF

¿ë·® : 300N¡¢500N¡¢1kN¡¢2kN¡¢3kN¡¢5kN¡¢10kN¡¢20kN¡¢30kN¡¢300kN¡¢500kN
½ºÅ×Àη¹½º ÀçÁú
¾ÐÃàÇü ·Îµå¼¿ÀÔ´Ï´Ù.¼ÒÇüÀÌ°í ¾ã±â¶§¹®¿¡ ±âÁ¸ ¼³ºñ¿¡ ¼³Ä¡°¡ ¿ëÀÌÇÕ´Ï´Ù.

¡Ø ÆÇ¸Å Á¾·áÇÑ ¿ë·® 50kN, 100kN, 200kN ŸÀÔ(UNBF-50KN, UNBF-100KN, UNBF-200KN)¿¡ ´ëÇØ¼­´Â ±ÇÀå ´ëü Á¦Ç°À¸·Î UNBF2½Ã¸®Áî¿¡ ¶óÀξ÷ÀÌ ÀÖ½À´Ï´Ù.

Çã¿ë°úºÎÇÏ : 150%R.C.
ºñÁ÷¼±¼º : 0.2 ¶Ç´Â 0.35%R.O.
¹Ýº¹¼º : 0.1 ¶Ç´Â 0.20%R.O.


[UNBF¿Í ÃßõÁ¶ÇÕ Á¦Ç°]
ÇÏÁß ÃøÁ¤
·Îµå¼¿¿ë °èÃø±â.»ý»ê ¶óÀÎÀÇ Ç°Áú °ü¸®¿¡ ÃÖÀû.
Á÷·ùÁõÆø±â(°¢Á¾½ÃÇè¿ë)
½ºÆ®·¹ÀÎ °ÔÀÌÁö½Ä ¼¾¼­¿ë. ÀÀ¿ë ¹üÀ§°¡ ³Ð°í °í±â´É