¿À´ÃÇÏ·ç ¿Áö¾Ê±â
´Ý±â
Home
Login
Join
blog
ȸ»ç¼Ò°³
ȸ»ç¼Ò°³
¿À½Ã´Â±æ
°èÃø¼¾¼
ÅäÅ©¼¾¼
·Îµå¼¿
ÆÄÁö·Â°è
ºñÁ¢ÃË½Ä º¯À§¼¾¼
Á¢ÃË½Ä º¯À§¼¾¼
·¹ÀÌÁ®¼¾¼
Áøµ¿/°¡¼Óµµ¼¾¼
¾Ð·Â¼¾¼
¿ÍÀ̾¼
°æ»ç¼¾¼
¿£ÄÚ´õ
°èÃøÀåºñ
Àεð°ÔÀÌÅÍ
ÅäÅ©¾×Ãò¿¡ÀÌÅÍ
Àüµ¿¹ë·±¼
µ¥ÀÌÅͷΰÅ
¾ÚÇÁ
Àû¿ë»ç·Ê
Àû¿ë»ç·Ê
°í°´Áö¿ø
°øÁö»çÇ×
Áú¹®°ú´äº¯
ÀÚ·á½Ç
°èÃø¼¾¼
PRODUCT
¡å
ÅäÅ©¼¾¼
·Îµå¼¿
ÆÄÁö·Â°è
ºñÁ¢ÃË½Ä º¯À§¼¾¼
Á¢ÃË½Ä º¯À§¼¾¼
·¹ÀÌÁ®¼¾¼
Áøµ¿/°¡¼Óµµ¼¾¼
¾Ð·Â¼¾¼
¿ÍÀ̾¼
°æ»ç¼¾¼
¿£ÄÚ´õ
CUSTOMER
02-3016-7944
am 09:00 ~ pm 06:00
¿Â¶óÀι®ÀÇ
Home
°èÃø¼¾¼
·Îµå¼¿
·Îµå¼¿
PRODUCT
¸ðµ¨¸í
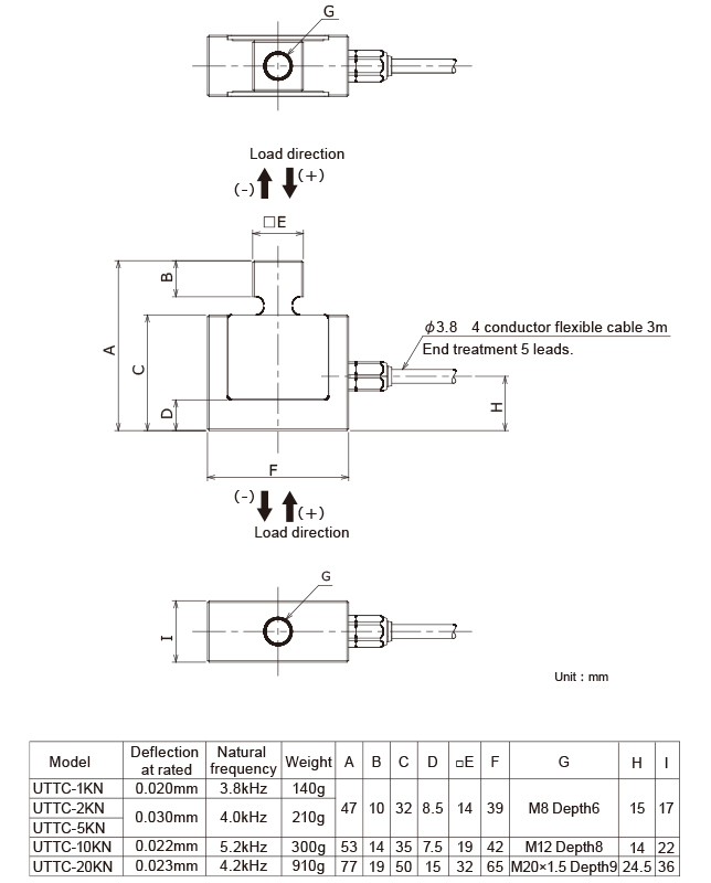
UTTC½Ã¸®Áî : ÀÎÀå¾ÐÃà ·Îµå¼¿ / 1kN~20kN
÷ºÎÆÄÀÏ
Catalog_UTTC.pdf
Capacity 1 kN / 2 kN / 5 kN / 10 kN / 20 kN
ºÎÇÏ¿¡ ÀÇÇÑ Ãæ°ÝÀ» °¨¼ÒÇØÁÖ¸ç Á¤È®ÇÑ ÃøÁ¤ÀÌ °¡´É.
RADIANENG
02-3016-7944
02-3016-7945
info@radianeng.co.kr
ȸ»ç¼Ò°³
ȸ»ç¼Ò°³
¿À½Ã´Â±æ
°èÃø¼¾¼
ÅäÅ©¼¾¼
·Îµå¼¿
ÆÄÁö·Â°è
ºñÁ¢ÃË½Ä º¯À§¼¾¼
Á¢ÃË½Ä º¯À§¼¾¼
·¹ÀÌÁ®¼¾¼
Áøµ¿/°¡¼Óµµ¼¾¼
¾Ð·Â¼¾¼
¿ÍÀ̾¼
°æ»ç¼¾¼
¿£ÄÚ´õ
°èÃøÀåºñ
Àεð°ÔÀÌÅÍ
ÅäÅ©¾×Ãò¿¡ÀÌÅÍ
Àüµ¿¹ë·±¼
µ¥ÀÌÅͷΰÅ
¾ÚÇÁ
Àû¿ë»ç·Ê
Àû¿ë»ç·Ê
°í°´Áö¿ø
°øÁö»çÇ×
Áú¹®°ú´äº¯
ÀÚ·á½Ç